[设为首页]
[加入收藏]
[联系我们]
[手机门户]
首页
审计资讯
政务公开
行政执法公示
交流互动
公共服务
学习园地
|
党建活动
|
内部审计
|
本站要闻
|
图片新闻
|
各地动态
|
政策法规
|
他山之石
部门介绍
|
领导信息
|
廉政风险防控
|
政务动态
|
政府信息公开
在线访谈
图文直播
事前公开
|
事后公开
|
三项制度
您当前所在位置:
首页
>>
审计要闻
>>正文
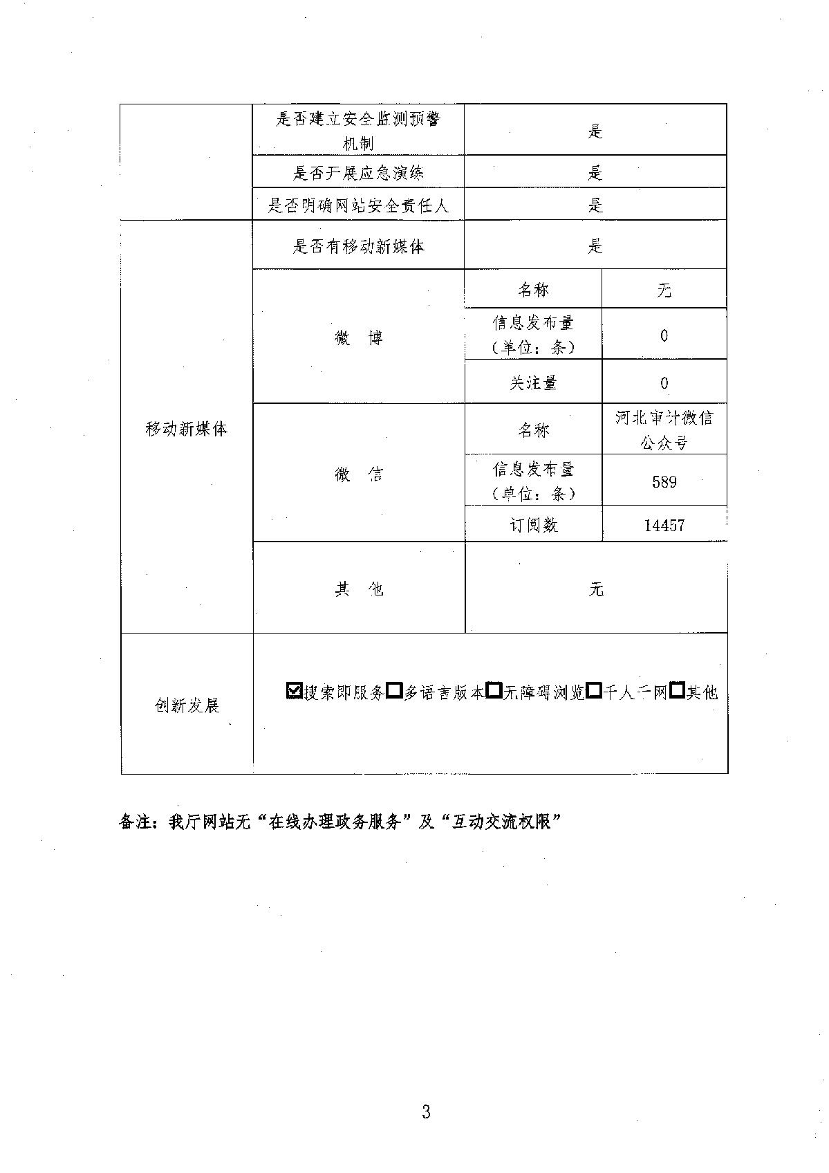
河北省审计厅2025年政府网站工作年度报表
2026年01月20日 文章来源:河北省审计厅 信息提供:河北省审计厅
相关文章
.
审计署召开会议对开展树立和践行正确政绩观学习教育进行部署
.
王正谱主持召开河北省政府党组会议
.
河北省委常委会召开扩大会议
.
2026年河北省级财政重点投向九个领域
.
王正谱在河北省委管理干部学习贯彻党的二十届四中全会精神研讨班上作专题授课
.
中共中央政治局召开会议 讨论“十五五”规划纲要草案和政府工作报告 中共中央总书记习近...
.
审计署召开全国审计机关党风廉政建设工作视频会议
.
河北省委管理干部学习贯彻党的二十届四中全会精神研讨班开班
.
河北省优化营商环境大会在石家庄召开
.
李强主持召开国务院常务会议 对抓紧做好春节假期后政府工作作出部署
账号:
*
密码:
*
确认密码:
*
姓名:
性别:
男
女
注 册
取 消
账号:
*
密码:
*
验证码:
登录
取 消
关于本站
|
联系我们
|
法律声明
|
网站地图
河北省审计厅门户网站,河北省审计厅主办
冀ICP备06024325号-1
冀ICP备06024325号-3
冀公网安备 13010402000484
政府网站标识码 1300000034
河北省审计厅版权所有,本站文章未经授权不得转载
联系电话:86-0311-88606104